FEEDBACK CONTACT US GMAP 中文版 ENGLISH
Hello, welcome to ctc technology website!FREE HOTLINE+86-15015274260
|
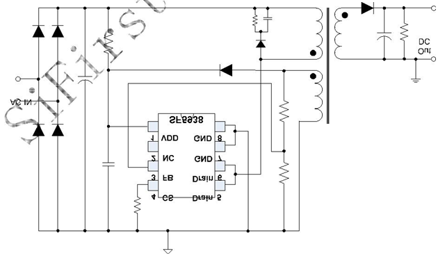
NC-Cap/PSR-IITM (Primary Side Regulation) CV/CC Power Switch |
|
|
1、Product application
|
◆ Battery chargers for cellular phones, cordless phones,PDA, digital cameras, etc
◆ Small power adapter
|
2、General Description
SF5938 is a high performance,highly integrated DCM (Discontinuous Conduction Mode) Primary Side Regulation(PSR) power switch for offline small power converter applications. It can achieve less than
+/- 4% CV/CC precision.
SF5938 has built-in proprietary NC-Cap/PSR-IITM control for CV control,which eliminates external compensation or filtering capacitor. It has built-in
cable drop compensation function, which can provide excellent CV performance. The IC uses Multi Mode Control to improve efficiency and reliability and to
decrease audio noise energy @ light loadings. The IC can achieve less than 70mW standby power.
SF5938 integrates proprietary “Audio Noise Cancellation” control for audio noise free operation. The IC has built-in“Fast Dynamic Response”control to meet USB Charge requirements.SF5938 also integrates proprietary “Zero-Output Startup”
control to achieve startup when output is near zero voltage. The IC has proprietary “Smart Output Short Protection”, which can protect the system with large leakage inductance when output is short circuit.
SF5938 integrates functions and protections of FB Short Protection, Under Voltage Lockout (UVLO), VDD Over Voltage Protection (VDD OVP), Soft Start, Cycle-by-cycle Current Limiting (OCP), Pin Floating
Protection, VDD Clamping.
|
3、 Features
4、Package/Order Information
|
